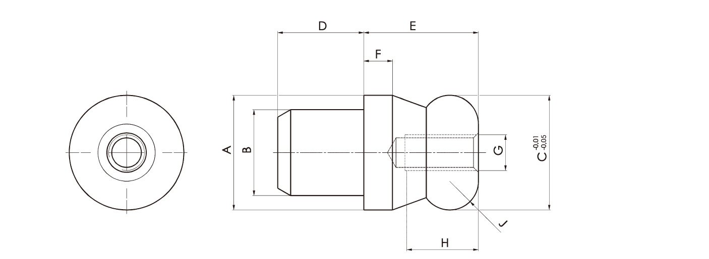
圆柱销

圆柱销

钢制

应用领域:

快速精确定位

说明:

订货号ABCDEFGHJ
37462916121612164M510R4


留言

+86-0532-87836677

-1
-1